|
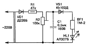
Основой сигнализатора является релаксационный генератор на ди-нисторе VS1 (рис. 1.112). Сетевое напряжение выпрямляется диодом VD1 и подается через резистор R1 на подстроечный резистор R2. С движка этого резистора часть напряжения поступает на конденсатор С1, который заряжается. Если сетевое напряжение не превышает нормы, напряжения заряженного конденсатора недостаточно для пробоя дини-стора, и он закрыт. Когда сетевое напряжение возрастает, напряжение на конденсаторе тоже возрастает, и пробивается динистор. Конденсатор С1 разряжается через динистор и последовательно соединенные с ним головной телефон BF1 и светодиод HL1. В головном телефоне раздается щелчок и вспыхивает светодиод. После этого динистор закрывается и конденсатор С1 снова начинает заряжаться. Процесс повторяется до тех пор, пока напряжение в сети не станет ниже порогового.
В сигнализаторе, кроме указанного на схеме типа динистора, можно применить динистор из серии КH102, который имеет меньшее напряжение пробоя. В этом случае, громкость щелчков и яркость вспышек уменьшатся. Конденсатор типа МБМ, К73; резисторы: R1 — МЛТ-0,5; R2 — СПО-0,5; диод можно заменить на Д7Ж, КД102Б, КД105Б-Г; телефон ТМ-2, ТК-47 или им подобный. Все детали устройства монтируются на небольшой печатной плате которая помещается в пластмассовый корпус. В корпусе необходимо предусмотреть отверстия для телефона и светодиода, а также закрепить на одной из его сторон контактные ножки вилки для включения в сетевую розетку.

Рис. 1.112. Принципиальная схема звукового сигнализатора превышения напряжения
Из книги " Домашний электрик и не только ..." В.М. Пестриков
Ознакомиться с книгой полностью можно в разделе "Библиотека" подразделе "Книги"
или перейдя по ссылке |